Equipement de fitness outdoor spécialisé pour les personnes à mobilité réduite - Entraînement haut du corps
Une question sur ce produit ?
Bonjour, je suis votre assistant virtuel 💪
Quelle est votre question ?
-
Matériel de qualité professionnelle
Conçu pour durer et performer
-
Garantie constructeur
Protection assurée sur l’ensemble de nos équipements
-
Paiement sécurisé
Carte Bleue / Virement / 2x 3x 4x 10x 24x
-
Livraison chez vous
transporteur spécialisé sur prise de rendez-vous
-
Marque française
Expertise et SAV basés en France
-
Satisfaction Client
Note moyenne ★ 4,7/5
Appareil de musculation pour les personnes à mobilité réduite en fauteuil roulant :
Comment utiliser l'agrès de musculation extérieur pour sport adapté :
Grâce à cette station de musculation extérieure, les personnes à mobilité réduite en fauteuil roulant peuvent développer et entretenir les membres supérieurs, les épaules et le dos. L'appareil de fitness en plein air est destiné aux PMR en laissant place à une chaise roulante. L'utilisation de cet agrès de musculation pour PMR est simple : D’un côté de la machine, l’utilisateur fait des moulinets de bras. De l’autre côté, des tractions en position assise.
Installer un parc de musculation en plein air dans votre ville ou entreprise comporte de nombreux avantages :
- Eviter la sédentarité
- Développement de la forme physique
- Temps actif en plein air
- Favorise le lien social
La station pour handicapés outdoor est entièrement conçue en France pour offrir la meilleure qualité et durée de vie. En plus, l'équipement de street workout est garanti 10 ans. Un plan d'entraînement se trouve à la disposition des sportifs sur l'atelier de fitness extérieur traduit en 4 langues différentes.
Les structures sportives outdoor et les administrations à qui est destiné l'équipement de musculation outdoor pour PMR :
- Etablissement scolaire
- Etablissement de santé
- Collectivités
- Mairies
- Administrations
- Entreprises
- Parcs publics
- Campings
- Résidences vacances
- Lotissements
Vous pouvez idéalement installer une zone d'entraînement de musculation outdoor autour d'un lac pour que les sportifs puissent facilement compléter leur entraînement après une séance de cardio, par exemple.
Caractéristiques techniques de l'atelier de musculation en extérieur adapté aux handicapés :
- Age minimum d'utilisation : 14 ans
- Taille minimale : 1,40 mètre
- Entraînement en DUO
- Adapté pour les parcs et jardins publics
- En acier galvanisé traité antirouille
- Poignées antidérapantes collées
- Roulements à billes inox, étanches, et graissés à vie
- Cales pieds en silicone industriel avec picot antidérapants et évacuation de l'eau de pluie
- Peinture de poudre polyester plastifiée pour une très longue longévité
- Livré avec notice d'utilisation, préconisations d'emploi et plan d'entraînement
- Fixé par rivet sur la potence principale pour 4 profils sportifs différents
- Fixation sur platine standard
- Livré avec kit de fixation à placer dans le béton
- Prévoir au minimum un bloc de béton de 60 x 60 x 60 cm (dosé à 350 kg/m3)
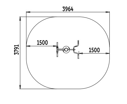
- Cache de scellement avec visserie antivol. Prévoir un espace libre de 150 cm autour de l'appareil (espace à prévoir pour cet appareil : 397 x 380 cm)
- HIC : 45 cm Aucune exigence de finition de sol
- Norme EN 16630
- Dimensions :
Longueur 91 cm
Largeur : 80 cm
Hauteur : 148 cm - Poids : 38 kg
- Conforme aux normes françaises et européennes
Installation et entretien de votre équipement de street workout pour PMR :
Sur devis, faites appel à notre équipe spécialisée pour installer l'ensemble de vos agrès de fitness outdoor.
Afin de respecter la norme EN 16630:2015, il est essentiel d'installer votre matériel de fitness en plein aire sur une surface plate et stable. Les différents types de sol pouvant être installés autour de votre station de plein air :

Autour de votre structure d'entraînement en plein air, vous devez absolument intégrer une zone d'impact autour de votre équipement afin d'assurer une sécurité optimale. Pour cet équipement de musculation pour PMR, la zone de sécurité avec sol adapté doit faire : 3,69 m x 3,79 m.

Vous trouverez en pièce jointe notre guide d'entretien pour garder en parfait état votre agrès de musculation en plein air.