Agrès de musculation outdoor avec siège rabattable pour personnes en situation de handicap avec fauteuil roulant
Une question sur ce produit ?
Bonjour, je suis votre assistant virtuel 💪
Quelle est votre question ?
-
Matériel de qualité professionnelle
Conçu pour durer et performer
-
Garantie constructeur
Protection assurée sur l’ensemble de nos équipements
-
Paiement sécurisé
Carte Bleue / Virement / 2x 3x 4x 10x 24x
-
Livraison chez vous
transporteur spécialisé sur prise de rendez-vous
-
Marque française
Expertise et SAV basés en France
-
Satisfaction Client
Note moyenne ★ 4,7/5
Station de fitness en plein air pour personnes handicapées en fauteuil roulant :
Les conditions d'utilisation de la structure de fitness pour personnes invalides :
Communes, mairies, cette agrès de musculation extérieur vous permettra d'offrir les meilleures conditions d'entraînement aux personnes en mobilité réduite. Effectivement, cette station de fitness pour sport adapté est fabriquée sans siège afin qu'une personne en fauteuil roulant puisse y accéder. Les personnes en mobilité réduite pourront s'entraîner en tout confort. Cet équipement de fitness en plein air permet de solliciter les épaules à travers un mouvement unique. Cette infrastructure outdoor permet de maintenir une forme physique et se trouve en libre accès dans un parc ou autour d'un lac.
En tout, la machine de sport pour les épaules peut supporter une charge maximum de 150 kg. La station pour parc de fitness outdoor s'adapte à toutes les utilisations : séniors, jeunes, débutants et expérimentés. Une seule condition pour utiliser cet appareil à pectoraux pour PMR : mesurer plus de 1.40 mètre !
Où installer l'atelier de musculation outdoor pour street workout :
Vous pouvez facilement créer un espace de fitness en plein air pour mobilité réduite dans différents endroit. En créant un parcours sportif pour handicapéss dans votre commune, vous allez offrir que des ondes positives à vos citoyens et favoriser l'inclusion. Effectivement, une aire de street workout avec des stations de musculation pour personnes en fauteuil roulant va encourager les handicapés à garder leur forme physique et obtenir du gain musculaire ! En plus, en installant cette station outdoor dans une université ou dans un parc public, vous allez nettement favoriser le lien social et fédérer votre communauté.
- Parcs / Jardins publics
- Collectivités
- Communes
- Mairies
- Campings
- Universités
- Entreprises / Administration
A savoir sur l'équipement de street workout pour personnes handicapées : Installation - Sécurité - Garantie - Livraison :
Les instructions d'installation de votre matériel sportif en plein air :
La structure de musculation outdoor est fixée à une base via des ancrages à bétonner (les ancrages et les vis nécessaires sont fournis avec l'appareil commandé). L'installation de la machine à épaules extérieure pour handicapés est simple et vous pouvez le faire vous-même (nous fournissons un manuel d'utilisation détaillé).
Bien sûr, vous pouvez également faire appel à une entreprise de sous-traitance pour installer votre équipement de conditionnement physique.
Les éléments de sécurité relatifs à la machine de fitness en plein air pour mobilité réduite :
La sécurité est un critère primordial dans la construction de votre espace public de musculation pour mobilité réduite pour vos citoyens et votre assurance. C'est pour cette raison que l'entièreté de notre matériel de conditionnement physique extérieur est conçu selon la norme EN 16630:2015 relatives aux installations extérieures publiques.
Pour assurer la robustesse, notre équipement de sport outdoor pour personnes en fauteuil roulant est entièrement fabriqué en acier et en aluminium. Ainsi, notre station extérieure pour épaules est extrêmement résistante à l'usure et aux intempéries afin de garantir une longue durée de vie à votre collectivité.
Afin d'optimiser la sécurité de votre espace de sport extérieur, ne négliger pas le revêtement de sol qui doit respecter des normes précises. Pour accompagner l'installation de cet agrès de musculation pour PMR vous devez créer une zone de sécurité de 394 x 374 cm avec des dalles de sol adaptées.

Les différentes garanties offertes par l'agrès de musculation pour PMR en extérieur :
- 20 ans : Structurelle
- 5 ans : Peinture
- 2 ans : Pièces mobiles
Livraison et expédition de la structure de musculation à épaules avec siège rabattable pour mobilité réduite :
La livraison de l'infrastructure de musculation outdoor pour personnes invalides est opérée par une compagnie de transport spécialisée s'assurant du conditionnement de la marchandise tout au long de son parcours jusqu'à chez vous.
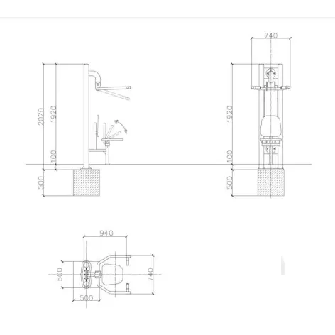
Caractéristiques techniques de l'équipement de musculation en plein air adaptable pour les personnes en situations d'invalidité :
- Longueur : 94 cm
- Largeur : 74 cm
- Hauteur : 2,02 mètres
- Taille de l'utilisateur : <140 cm
- Poids max de l'utilisateur : 100 kg
- Poids de l'appareil : 95 kg
- Zone de sécurité : 414 x 374 cm
- Compatible avec la norme : EN 16630:2015
- Mono-utilisateur
- Composition : Acier
- Siège : Panneau HDPE
- Socle : Aluminium
- Résistance aux intempéries
